선경판금
회사소개
인사말
인증현황
오시는길
제품소개
브라켓
폴
함체
콘솔
하우징
기타
온라인문의
고객센터
뉴스&공지
자료실
뉴스&공지
자료실
»
자료실
»
자료실
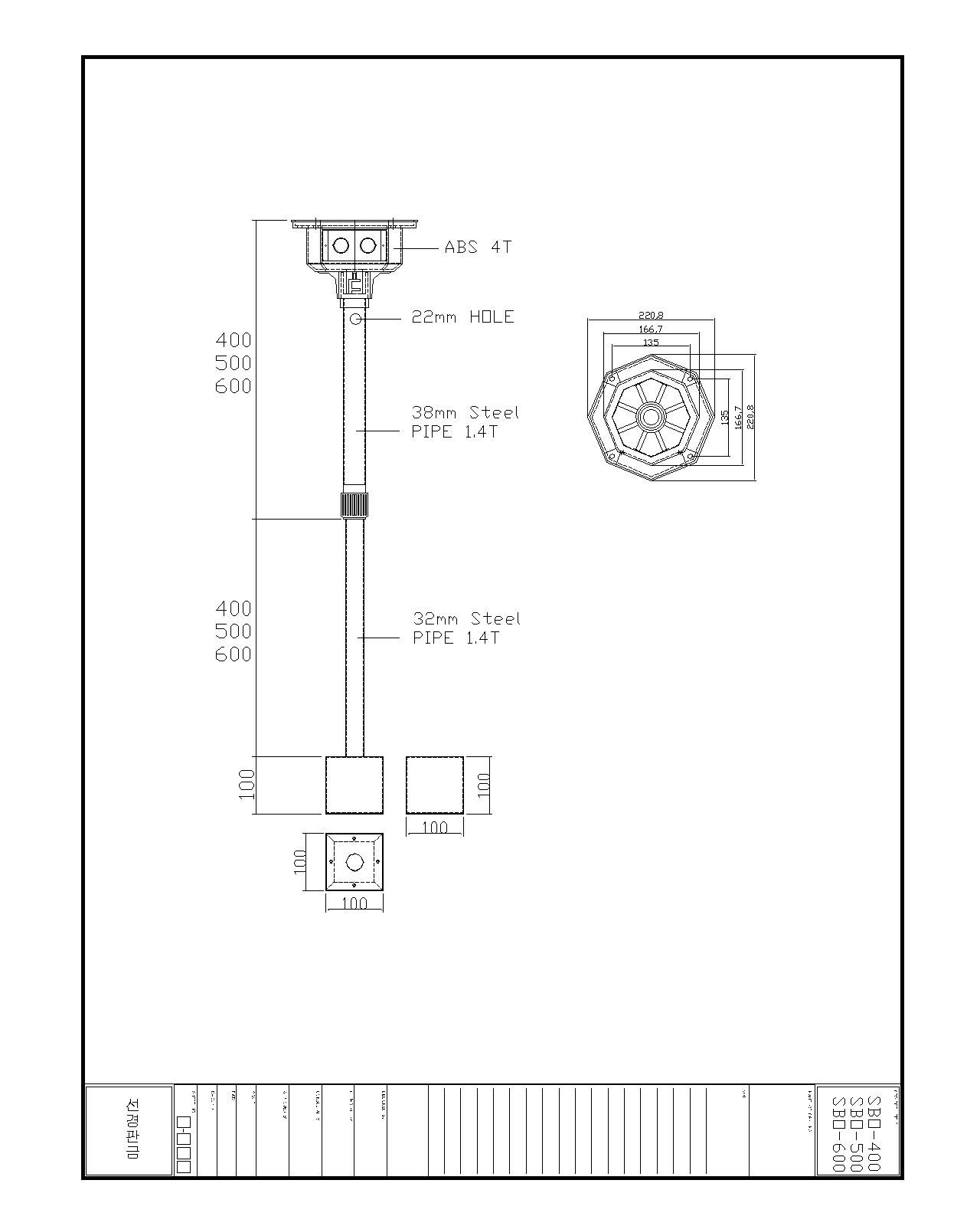
작성일 : 19-08-23 16:00
천장형브라켓 도면
글쓴이 :
선경판금
조회 : 7,752
천장형+브라켓+도면-2.dwg (1.3M)
[257]
DATE : 2020-12-31 16:15:43
천장형브라켓 도면모음입니다.
이름
패스워드
비밀글